Vidlice PCE 0521-SR hluboká 230V/16A guma/plast IP54






Ceny zde uvedené jsou platné pouze pro nákup na e-shopu a mohou se lišit od cen na pobočkách.
Často se kupuje společně
Bezpečnostní gumová vidlice PCE 0521-SR má stupeň krytí IP54, může se tak použít v těžkých podmínkách. Zástrčka PCE disponuje 3pólovou konstrukcí (2P+E) a je dimenzována pro napětí 250 V a proud 16 A.
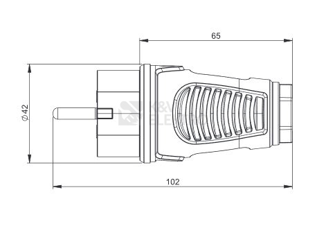
Specifikace hluboké vidlice PCE 250V/16A guma/plast IP54, PC-0521-SR
Třípólová bezpečnostní zástrčka PCE 0521-SR IP54 z řady Taurus 2 barvy černá/červená je vyroben s dvojitým uzemňovacím systémem (2P+E). Pracuje na napětí 250 V AC a proud 16 A. Určeno pro Ø kabelu 6-13 mm, ohebný vodič 0,75-2,5 mm². Vidlice je vyrobena v hlubokém provedení s manžetou a má gumové pouzdro, vložka PA6.
Pořídit si u nás můžete i jiné 230V vidlice a zásuvky a další kabely a konektory. Nabízíme například také prodlužovací kabely s vypínačem či bez něj; jedno, dvou, tří i vícezásuvkové.
Technické detaily hluboké vidlice PCE
Vidlice PCE 0521-SR hluboká model hybridní zástrčka CEE 7/7 (typ E/F) včetně uzemňovacích svorek je vyrobena z materiálu: odolný termoplast/pryž. Stupeň krytí (IP) IP54. Směr zástrčky rovný. Systém připojení: šroubová svorka. Barva černá/červená. Počet pólů 3. Jmenovité napětí 250 V. Jmenovitý proud 16 A. Vyrobeno z materiálu guma/plast. Čistá hmotnost 0,068 kg.
Vždy se řiďte postupem od výrobce. Zásahy do elektroinstalace provádějte jen tehdy, jste-li k takovému úkonu oprávněni. V opačném případě přenechte instalaci na odborníkovi s příslušným certifikátem.
Certifikáty výrobku
Vidlice PCE 0521-SR hluboká 250V/16A guma/plast IP54 splňuje příslušné normy ČSN.
##VIDEO:https://www.youtube.com/embed/5PLnHAerLDE##
O společnosti PCE
Inovativní výrobce PC Electric se od r. 1973 zabývá výrobou průmyslových CEE vidlic, jednotlivých zásuvek a rozbočovacích skříní či wallboxů a patří ke špičce svého oboru. Firma v roce 1999 představila nový produkt TWIST - první CEE konektor s bezšroubovou kabelovou průchodkou. Roku 2001 představila vlastní sérii zásuvek a zástrček TAIRIS,o pět let později 63/125 a CEE POWER TWIST. Společnost v inovacích stále pokračuje, a proto si drží přední místo na trhu. Prohlédněte si na e-shopu K&V ELEKTRO 400V zásuvky a vidlice a 230V zásuvky a vidlice.




