Vačkový spínač LOVATO GX1611U 16A/3P reverzní černá páčka



Vačkový spínač LOVATO GX1611U 16A/3P reverzní černá páčka disponuje dobrým poměrem cena/výkon od prověřeného výrobce Lovato. Další informace k produktu naleznete níže.
e-shop: skladem (2 ks), doručíme: čtvrtek 30.4.
579,24 Kč
/ 1 ks478,71 Kč bez DPH
Ceny zde uvedené jsou platné pouze pro nákup na e-shopu a mohou se lišit od cen na pobočkách.
Objednací kód1001512
ZnačkaLovato
Dodavatelský kódGX1611U
EAN8013975100479
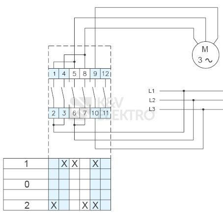
Vačkový spínač 1-0-2 (dva směry)
Dimenzovaný proud AC-1: 16A
Počet pólů: 3
Dimenzovaný provozní výkon při AC-23A, 400 V: 5kW
Rozměr čelního krytu: 48x48mm
Dvojité rozpínací kontakty ze slitiny stříbra
IP65 (přední stupeň ochrany)
Značka
Parametry
Provedení:Reverzní spínač
Počet pólů:3
S nulovou polohou:Ano
Se zpětným pohybem do nulové polohy:Ne
Dimenzovaný trvalý proud Iu:16 A
Krytí (IP), na čelní straně:IP65
Počet pomocných rozpínacích kontaktů (NC):0
Počet pomocných spínacích kontaktů (NO):0
Počet pomocných přepínacích kontaktů (CO):0
Vhodné pro upevnění na desku:Ne
Vhodné pro čelní upevnění:Ano
Vhodné pro montáž do rozváděče:Ne
Vhodné pro montáž mezi díly:Ne
Kompletní přístroj ve skříni:Ne
Typ ovládacího prvku:Krátká otočná rukojeť
Druh připojení hlavního proudového obvodu:Šroubová svorka
Barva ovládacího prvku:Černá

