Svodič přepětí SPD typ 1+2+3 HLSA25-275/4+0
zdarma
zdarma







Svodiče impulzních proudů a rázového přepětí typu T1+T2+T3. Výrobky jsou složeny z varistorů s velkou svodovou schopností. V provedení 1+1 a 3+1 a HLSA25G jsou navíc v kombinaci s bleskojistkou, která zajišťuje nulový průsakový proud vodičem PE. Vhodné... číst více
e-shop: na objednávku (14 ks), doručíme: pondělí 15.6.
9 171,32 Kč
/ 1 ks7 579,60 Kč bez DPH
Ceny zde uvedené jsou platné pouze pro nákup na e-shopu a mohou se lišit od cen na pobočkách.
Objednací kód1659291
ZnačkaHakel
Dodavatelský kód10455
EAN8590681114209
Svodiče impulzních proudů a rázového přepětí typu T1+T2+T3. Výrobky jsou složeny z varistorů s velkou svodovou schopností. V provedení 1+1 a 3+1 a HLSA25G jsou navíc v kombinaci s bleskojistkou, která zajišťuje nulový průsakový proud vodičem PE. Vhodné pro objekty s uvažovanou hladinou ochrany LPL I a LPL II. Instalují se na rozhraní zón LPZ 0 – LPZ 1 a vyšší, co nejblíže vstupu kabelového vedení do objektu - hlavních rozvaděčů. V případě instalace svodiče označeného T1+T2+T3 v hlavním rozvaděči je nezbytné instalovat také svodiče přepětí T2 a T3 v podružných rozvaděčích. Pokud výrobek obsahuje dvě svorky PE (resp. PEN), nesmí být použity jako můstek PE (PEN). Označení S specifikuje provedení s dálkovou signalizací. Instaluje se dle norem: ČSN EN 62305 ed. 2, ČSN 33 2000-5-534 ed. 2, ČSN CLC/TS 61643-12.
Značka
Parametry
Konfigurace systému DC:Ne
Konfigurace systému IT:Ne
Konfigurace systému TN-C:Ne
Konfigurace systému TN-C-S:Ano
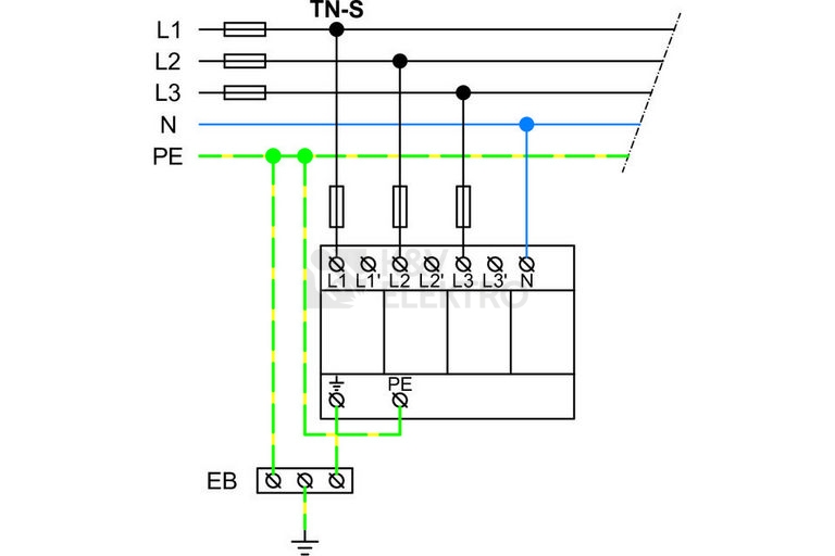
Konfigurace systému TN-S:Ano
Konfigurace systému TT:Ne
Počet pólů:4
Bleskový proud (10/350):25 kA
Maximální trvalé napětí AC:275 V
Jmenovité napětí AC:230 V
Ochranná úroveň:1,2 kV
Měrná energie (W / R):156 kJ/Ohm
Max. průřez tuhého (jedno/vícedrátového) vodiče:35 mm2
Max. průřez pružného vodiče (jemné lanko):25 mm2
Způsob montáže:DIN lišta 35 mm
Konstrukční velikost:8 TE
Dálková signalizace:Ne
Signalizace na přístroji:Optické
Zkušební třída:Typ 1 a 2
Vyfukovací:Ano
Energeticky koordinovaný ochranný účinek s koncový:Ano

