Svodič přepětí pro fotovoltaiku Hakel PV PIIIM PV 200/2 Vseries SPD typ 2 27063





Ceny zde uvedené jsou platné pouze pro nákup na e-shopu a mohou se lišit od cen na pobočkách.
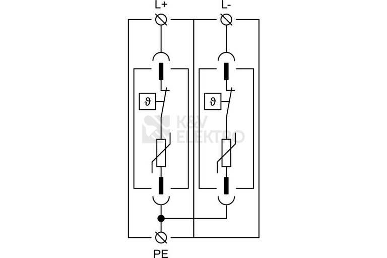
Svodič přepětí pro fotovoltaiku Hakel PV PIIIM PV 200/2 Vseries SPD zajišťují vyrovnávání potenciálů. Jedná se o varistorový svodič přepětí v zapojení 'Y'. Nabízí nejvyšší trvalé provozní napětí 200V DC. V provedení M s výměnným modulem. Určeno k instalaci na DIN lištu.
Specifikace svodiče přepětí pro fotovoltaiku Hakel PV PIIIM PV 200/2 Vseries SPD typ 2 27063
Doba odezvy svodiče přepětí Hakel PV PIIIM PV 200/2 pro fotovoltaické systémy je 25ns. Svodič (SPD typ 2) poskytuje možnost volby maximálního provozního napětí SPD: UCPV ≥ 1,2× UOC STC. Připojíte jej pomocí pevných vodičů o průřezu 1 mm² až 35 mm², nebo pomocí vodičů slaněných o průřezu 1 mm² až 25 mm².
Svodič přepětí PV PIIIM PV 200/2 nainstalujete na DIN lištu 35 mm. O případné poruše se dozvíte díky optické signalizaci v podobě červeného zbarvení indikačního pole na přední straně přístroje.
Nabízíme i další vybavení pro zřízení fotovoltaického systému, tudíž si u nás můžete pořídit třeba solární panely, střídače, regulátory, solární baterie nebo elektroměrové rozvaděče. Najdete u nás i bohatou nabídku kabelů a k nim náležejícího příslušenství.
Rozměry svodiče přepětí jsou: 26 x 98 x 73mm.
Technické detaily svodiče přepětí pro fotovoltaiku Hakel
Svodič přepětí pro fotovoltaiku Hakel PIIIM PV 200/2 Vseries je vhodný pro síť DC. Typ PV systému – neuzemněný. Typ zapojení SPD U. Nejvyšší trvalé provozní napětí (+/-) UCPV 200V DC. Nejvyšší trvalé provozní napětí (±/PE) UCPV 100V DC. Max. napětí PV generátoru UOCSTC ≤ UCPV / 1,2 UOCSTC 167V. Zkratová odolnost ISCPV 10kA. Maximální výbojový proud (8/20) Imax 40kA. Jmenovitý výbojový proud pro zkoušku třídy II (8/20) In 15kA. Napěťová ochranná hladina při In (+/-) Up < 0,8kV. Napěťová ochranná hladina při In (±/PE) Up < 0,4kV. Doba odezvy tA < 25ns. Materiál pouzdra - polyamid PA6, UL94 V-0. Stupeň ochrany krytu IP20. Pracovní teplota ϑ -40 ÷ 70 °C. Vlhkostní rozsah RH 5 ÷ 95%. Minimální průřez připojovacích měděných vodičů dle ČSN 33 2000-5-534 ed. 2 (neplatí pro „V“ zapojení) pro T2 S 2,5 mm² (L, N) 6 mm² (PE, PEN). Rozsah upnutí svorky (pevný vodič) 2,5 ÷ 35 mm2. Rozsah upnutí svorky (slaněný vodič) 2,5 ÷ 25 mm2. Utahovací moment 4Nm. Způsob montáže - na lištu DIN 35mm. Modulární šířka 2TE. Pracovní poloha – libovolná. Prostředí umístění výrobku – vnitřní. Poruchový režim SPD OCFM. Místní signalizace – optická. Význam místní signalizace OK – zeleně. PORUCHA – červeně. Dálková signalizace – ne. Výměnné provedení – ano. Katalogové číslo výměnného modulu 27 065. Životnost > 100 000h. Hmotnost 235g.
Vždy se řiďte postupem od výrobce a montáž provádějte jen tehdy, jste-li k takovému úkonu oprávněni. V opačném případě přenechte instalaci na odborníkovi s příslušným certifikátem.
Certifikáty výrobku
Svodič přepětí pro fotovoltaiku Hakel PV PIIIM PV 200/2 Vseries SPD typ 2 27063 splňuje příslušné normy ČSN.
O společnosti Hakel
Ryze česká firma Hakel byla založena r. 1994 v Hradci Králové. Dnes se řadí k již tradičním výrobcům kvalitních svodičů přepětí a hlídačů izolačního stavu. Jejich produkty chrání před přepětím různé technologie a spotřebiče jak v bytové i domovní výstavbě, tak i v průmyslu (ropovody, plynovody, elektrárny, železnice, fotovoltaika). Během toho se firma věnuje také výrobě izolačního stavu pro izolované IT sítě a jejich monitorování např. v nemocnicích.
Produkty přepěťové ochrany a svodiče přepětí od firmy Hakel naleznete i u nás v K&V ELEKTRO.

