Svodič přepětí Hakel HLSA12,5-275/4+0 M






Ceny zde uvedené jsou platné pouze pro nákup na e-shopu a mohou se lišit od cen na pobočkách.
Svodič přepětí HAKEL HLSA12,5‑275/4+0 M je ochranné zařízení typu SPD (Surge Protection Device) navržené pro omezování rázových přepětí a bleskových impulsních proudů v elektrických instalacích. Svodič kombinuje varistory s vysokou vypínací schopností pro rychlé přesměrování impulzních přepětí do ochranného vodiče PE, čímž chrání citlivé elektrické spotřebiče a rozvody před škodlivými jevy.
Specifikace svodiče přepětí Hakel HLSA12,5-275/4+0 M
Svodič přepětí typu T1+T2+T3 poskytuje komplexní ochranu proti přechodovým jevům různého charakteru – jak impulznímu bleskovému přepětí, tak i běžnému síťovému přepětí vzniklému spínáním či rušením v síti.
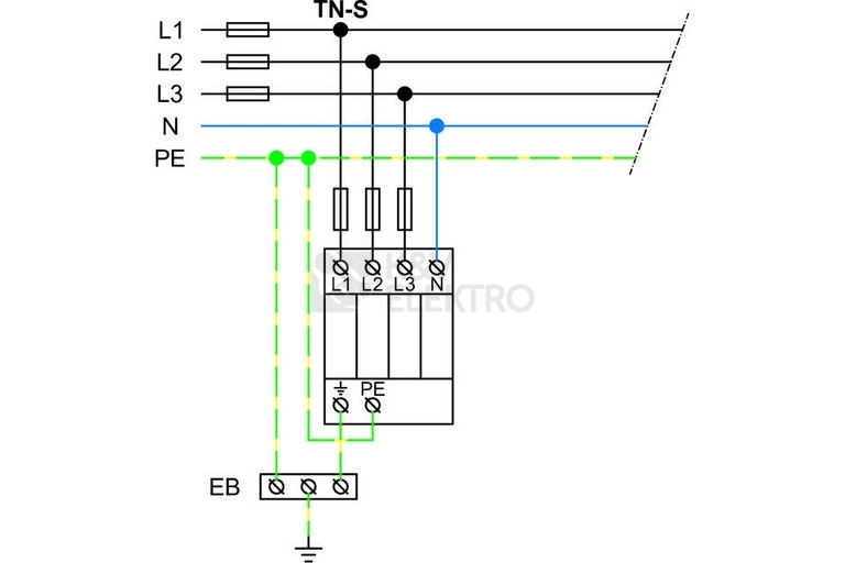
Je určen pro instalaci na DIN lištu 35 mm ve hlavních rozvaděčích co nejblíže vstupu napájecího vedení do objektu (hranice zón LPZ 0–1) a je vhodný pro objekty s uvažovanou hladinou ochrany LPL III a LPL IV podle normy ČSN EN 61643‑11. Označení „M“ značí provedení s vyměnitelným modulem, což usnadňuje údržbu a servis zařízení bez nutnosti výměny celého bloku.
Vybrat si u náš můžete i další modulové a paticové přístroje. Najdete u nás třeba širokou nabídku proudových chráničů, jističů do 125 A, motorových spouštěčů, vypínačů a přepínačů nebo elektroměrů. Nabízíme také nejrůznější rozvodnice a rozvaděče a další elektroinstalační materiál.
Technické detaily svodiče přepětí Hakel
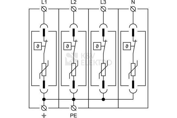
- Typ svodiče: SPD‑typ T1+T2+T3 (bleskové a přepěťové impulzy)
- Počet pólů: 4 (L1, L2, L3, N)
- Jmenovité provozní napětí AC: 230 V
- Maximální trvalé provozní napětí AC (Uc): 275 V
- Impulzní výbojový proud (10/350 µs): 12,5 kA
- Maximální výbojový proud (8/20 µs): 50 kA
- Nom. výbojový proud pro třídu II (8/20): 25 kA
- Celkový výbojový proud (10/350) L1+L2+L3+N → PE: 50 kA
- Celkový výbojový proud (8/20) L1+L2+L3+N → PE: 200 kA
- Napěťová ochranná hladina (Up): < 1,25 kV
- Náboj (Q): 6,25 As
- Specifická energie (W/R): 39 kJ/Ω
- Maximální jistič ochrany: 160 A gL/gG
- Stupeň krytí: IP20
- Montáž: DIN lišta 35 mm
Vždy se řiďte postupem od výrobce. Zásahy do elektroinstalace provádějte jen tehdy, jste-li k takovému úkonu oprávněni. V opačném případě přenechte instalaci na odborníkovi s příslušným certifikátem.
Certifikáty výrobku
Svodič přepětí Hakel HLSA12,5-275/4+0 M splňuje příslušné normy ČSN.
O společnosti Hakel
Ryze česká firma Hakel byla založena r. 1994 v Hradci Králové. Dnes se řadí k již tradičním výrobcům kvalitních svodičů přepětí a hlídačů izolačního stavu. Jejich produkty chrání před přepětím různé technologie a spotřebiče jak v bytové i domovní výstavbě, tak i v průmyslu (ropovody, plynovody, elektrárny, železnice, fotovoltaika). Během toho se firma věnuje také výrobě izolačního stavu pro izolované IT sítě a jejich monitorování např. v nemocnicích.
Produkty přepěťové ochrany a svodiče přepětí od firmy Hakel naleznete i u nás v K&V ELEKTRO.

