Lustrový, schodišťový či křížový. Přehled nejběžnějších typů a zapojení vypínačů
Článek jsme připravili především pro čtenáře, kteří se v typech vypínačů (přesněji spínačů) a jejich zapojení nevyznají a rádi by se o nich něco dozvěděli. Mechanismy vypínačů jsou označovány číslem podle jejich funkce a zapojení a my vám nyní pomůžeme se v této terminologii zorientovat.
Vypínače a zásuvky bývají jedním z nejdůležitějších prvků, které do domácnosti pořizujeme. Používáme je denně a nedokážeme si bez nich fungování domácnosti představit. Při jejich pořizování můžete vybírat z velkého množství výrobců a řad, tudíž si můžete pořídit takové vypínače a zásuvky, které perfektně zapadnou do vašich interiérů.
Mechanismus Schneider Unica Top/Class - lustrový vypínač s dělenou klapkou
Mechanismy vypínačů
Většinou se setkáte s tím, že jsou jednotlivé řady modulární, tedy že se skládají z několika součástek, které se u různých řad liší. Například velmi populární vypínače ABB Tango poskládáte z mechanismu (strojku), klapky (tlačítka) a krycího rámečku, u Schneider Nová Unica potřebujete mechanismus s klapkou, montážní rámeček a krycí rámeček. Naopak Schneider Asfora nabízí pouze výběr mezi klasickým rámečkem a vícerámečky.
Ať už je ale složení jednotlivých setů jakékoliv, pro mechanismy vypínačů se používá univerzální číslování rozlišující jejich typy. Pojďme se na ně podívat.
Vypínač č. 1
Vypínače č. 1 jsou na zapojení nejjednodušší. Jednopólové spínače, které jsou kvůli jednomu vstupu a jednomu výstupu určeny pro místnosti, kde je třeba ovládat jeden nebo více přístrojů z jednoho místa (např. garáž, wc, půda a tak dále). Jeho obdobou je například vypínač na stolní lampě. Zapojení si můžete prohlédnout ve schématu níže.
Zapojení vypínače č. 1
Vypínač č. 5 (lustrový vypínač)
Spínač č. 5, který bývá nazývaný lustrový vypínač nebo sériový přepínač, disponuje jedním přívodem a dělenou klapkou. Umožňuje samostatně ovládat dva nezávislé obvody, tedy například dvě svítidla z jednoho místa. Je jednopólový. To znamená, že jedním vypínačem (jednou klapkou) rozsvítíme jednu polovinu svítidel a druhým vypínačem (druhou klapkou) zbytek. Spínač č. 5 tedy použijeme například pro osvětlení obývacího pokoje, ale můžeme jej využít třeba i tak, že jednou klapkou v místnosti ovládáme světlo a druhou například ventilátor.
Zapojení lustrového vypínače
Vypínač č. 6 (schodišťový vypínač)
Vypínač č. 6, běžně nazývaný schodišťový vypínač, je jednopólový dvoucestný přepínač bez polohy vypnuto. Má jeden společný přívod a dva vývody. Stejně jako spínač č. 1 má jednu klapku (je tedy nedělený). Využívá se v místech, kde ovládáte jedno svítidlo ze dvou míst, nejčastěji na začátku a na konci schodiště či chodby. Prostě a jednoduše: jedním vypínačem rozsvítíte, přejdete na druhou stranu a druhým vypínačem zhasnete.

Zapojení schodišťového vypínače
Vypínač č. 6+6 (dvojitý schodišťový vypínač)
Spínač č. 6+6, nazývaný častěji dvojitý schodišťový vypínač, je zdvojenou variantou schodišťového spínače. Klapka je rozdělená (dvojitá) a umožňuje ovládat dvě svítidla ze dvou různých míst. Díky tomu můžete například stisknutím jedné klapky rozsvítit v chodbě, druhou na schodišti a z druhé strany zase obě světla zhasnout. Dá se říct, že jde o dva vypínače č. 6 v jednom.

Zapojení dvojitého schodišťového vypínače
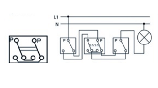
Vypínač č. 7 (křížový vypínač)
Spínač č. 7, nazývaný též křížový vypínač, využijete ke spínání elektrického obvodu ze tří a více míst v kombinaci se spínači č. 6. Má dvě dvojice vstupů a výstupů, které jsou funkčně rovnocenné. Pokud potřebujete, můžete zapojit několik křížových spínačů. Pro představu: máme chodbu, do níž se vchází hned ze tří pokojů a je třeba, aby byl u všech tří dveří vypínač – nikdo přeci nechce tápat ve tmě –, jímž lze rozsvítit a zase zhasnout světla, případně rozsvítit při opouštění jednoho pokoje a zhasnout při vstupu do druhého či třetího.
Zapojení křížového vypínače
Další typy vypínačů
Dalšími častými typy vypínačů jsou například spínač č. 2, který je dvojpólový, takže s ním lze ovládat i N vodič, třípólový vypínač č. 3, který se využívá jako takzvaná sporáková kombinace, spínač č. 1/0 (tlačítko) s jednou stabilní polohou, do které se tlačítko a po stisknutí vrací, či žaluziový spínač/tlačítko.
Zapojení vypínače č. 2
Jiné možnosti
Kromě vypínačů nabízejí řady domovních přístrojů i další komponenty, mezi nejčastěji nakupované patří zásuvky 230 V, datové zásuvky a televizní zásuvky. Jednotlivé součásti naleznete vždy v kolonce u jednotlivé řady jako např. zásuvky Nová Unica Studio, zásuvky ABB Legrand Valena Life.
Pokud plánujete umístit vypínače také do exteriéru, určitě pro vás bude užitečný článek o nejoblíbenějších řadách venkovních zásuvek a vypínačů. Designovým ozvláštněním vašeho interiéru se pak mohou stát porcelánové retro vypínače a zásuvky.
Kromě přehledného schématu pro lustrový, schodišťový a křížový vypínač a vysvětlení i dalších typů vypínačů jsme v článku zmínili, jak vybrat správný typ do konkrétní instalace. V K&V ELEKTRO zároveň nabízíme nejen široký výběr vypínačů, ale i příslušných rámečků, zásuvek, tlačítek a příslušenství od výrobců jako ABB, Legrand nebo Schneider Electric – a to vše s možností odborného poradenství, dostupností skladem a výhodami pro profesionály i domácnosti.

